Produkter
Alt lukket isoleret gasskab
  • Alt lukket isoleret gasskabAlt lukket isoleret gasskab
  • Alt lukket isoleret gasskabAlt lukket isoleret gasskab
  • Alt lukket isoleret gasskabAlt lukket isoleret gasskab
  • Alt lukket isoleret gasskabAlt lukket isoleret gasskab
  • Alt lukket isoleret gasskabAlt lukket isoleret gasskab

Alt lukket isoleret gasskab

Som kinesisk producent med forskellige produktionspatenter udviklede og producerede KEXUN uafhængigt KXRM6-12 Type alle lukkede isolerede gasskab, der er opført som et højteknologisk produkt i Zhejiang-provinsen, som er vidt brugt i 10 kV/6K strømfordelingssystemer, og er det første valgafbryderprodukt til forskellige by- og landlige brugernes strømdistributionssystemer.
Model: KXRM6-12
Brand: Kexr

● Brugsbetingelser

KXMR6-12 Type Alle alle lukkede isolerede gasskab er velegnet til forskellige miljøer, såsom høj og lav temperatur (+40 ℃ ~ -40 ℃), fugtighed, støv, saltforurening, miner og høj højde (1000 m), kortvarig nedsænkning i vand inden for 24 timer påvirker ikke brugen.

Bemærk: Hvis højden er højere, skal du angive den specifikke højde.


● Produktfunktioner

▶ KXRM6-12 Alle lukkede isolerede gasskab bruger SF6-gas som lysbue-slukning og isolerende medium.

▶ Kabinettet er fuldt forseglet og isoleret; Busbarer, switches og levende dele er helt lukket i rustfrit stålskal.

▶ Hulrummet er fyldt med 1,4bar SF6-gas, og beskyttelsesniveauet når IP67: Hele switch-enheden påvirkes fuldstændigt af eksterne miljøforhold, som kan sikre den normale drift af kontakten, selv i ekstreme tilfælde, såsom kortvarig vanddyperning, og produktet er vedligeholdelsesfrit for livet.

▶ Kabinettet har en perfekt "femforebyggende" sammenlåsende enhed, der fuldstændigt eliminerer de mulige driftsfejl for personale og udstyr forårsaget af menneskelig misoperation.

▶ Alle skabe har pålidelige sikre trykaflastningskanaler, som kan sikre operatørernes personlige sikkerhed, selv i ekstreme tilfælde.

▶ Kabinettet er opdelt i to typer: faste enhedskombination og udvidelig enhedskombination.

▶ Størrelsen på KXRM6-12 Alle lukkede isolerede gasskab er praktisk at installere, og det kan være egnet til steder med smalt rum og dårlige miljøforhold.

▶ Kabinettet kan udstyres med elektriske, fjernbetjenings- og overvågningsenheder i henhold til forskellige behov hos brugere.


● Teknisk parameter

All Enclosed Insulated Gas Cabinet

● Transformer og linjebeskyttelse

KXRM6-12 Alle lukkede isolerede gasskabsenhedskombineringstype giver to transformerbeskyttelsestilstande, nemlig belastningsafbryderen sikringskombinationsapparat og strømafbryderen med relæbeskyttelse.

1.Transformer Beskyttelse er en kombination af strømbegrænsende højspændingssikring og belastningskontakt. Sikringsrummet installeres bag en separat låst indkapsling placeret foran enheden. Lastkontakten bruger en fjederenergilagringsmekanisme, som kan udløses af sikringsangreben.

2. I orden for at lette udskiftningen af ​​sikringen kan driftshåndtaget bruges til at fjerne slutdækslet af sikringskammeret. Sikringsmekanismen for sikringen er forudindstillet, hvilket sikrer den vandtætte ydeevne for hele systemet.


● Sikrings- og transformator -sammenligningstabel

All Enclosed Insulated Gas Cabinet


● Valgfrit tilbehør

◆ Hjælpekontakt

Alle belastningsafbrydere og strømafbrydere kan udstyres med 2no+2nc, der angiver switchposition. En parallel tripspole (AC eller DC) kan installeres på transformerafbryderen og afbryderen, og lavspændingskontrolkomponenten er placeret bag frontpanelet.

◆ Indikation af spænding

Kapacitiv spændingsindikator viser, om bøsningen er opladet eller ej, og stikket på den kan bruges til nuklear fase.

◆ Kortslutning og jordfejlindikator

For at lette fejlplacering kan kabelafbrydermodulet udstyres med kortslutnings- og jordforbindelsesfejlindikatorer til simpel fejldetektion.

◆ Elektrisk drift

Det er et standardskema for manuel betjeningsmekanisme for kabelafbryderenhed og transformerenhed. Du kan også vælge at installere en elektrisk driftsmekanisme. Kabelafbrydere, vakuumafbrydere og jordforbindelser drives alle af mekanismer placeret bag frontpanelet. Alle afbrydere og afbrydere kan betjenes ved driftshåndtag (standardkonfiguration) eller kan udstyres med motorisk driftsmekanisme (tilbehør). Imidlertid kan jordforbindelseskontakten kun betjenes manuelt, og en mekanisme med evnen til at lukke fejlstrømmen er konfigureret.

◆ Kabling

Standardbøsninger i overensstemmelse med DIN47636 er installeret. Alle bøsninger har samme højde fra jorden og er beskyttet af kabelsrumets dækplade. Nogle dækplader kan låses sammen med jordforbindelseskontakten, og specielle dobbeltkabellumdækningsplader kan også bruges til dobbeltkabelindkommende linjer.

◆ Trykindikator

Normalt udstyret med en trykindikator, der dannes af en trykmåler. Derudover kan der leveres elektriske kontakter for at indikere trykreduktionen.

◆ Nøglås

De vigtigste låse til afbrydere, belastningsafbrydere og jordforbindelser kan installeres. Det kan være udstyret med låse sammenlåsning af semi-shelter, som er velegnet til afbrydere, belastningsafbrydere og jordforbindelser.

◆ Quencher

Alle ringnetværksenheder kan være udstyret med ARC -arrestanter. Når bue forekommer inde, lukker ARC -arrestatorerne automatisk på den indkommende bøsning, inklusive D, DE og V -moduler, og alle kabelmoduler kan udstyres med en lysbue -arrestor. De skal bestille med enheden og kan ikke ændre den. Handlingen af ​​lysbue -slukker kan angives ved denne metode, og de elektriske kontakter i SF6 -skabet er forbundet til terminalen bag frontpanelet.

All Enclosed Insulated Gas Cabinet


● Programbeskrivelse

◆ Skema 1 SA+CCF+

Installer Lightning Arrester på bussen og lad den være til udvidelse.

All Enclosed Insulated Gas Cabinet


Bemærk: Antallet af switch -enheder må ikke være mindre end 3.

◆ Skema 2 CCF+

Installer Lightning Arrester i den indkommende linje og reservationsudvidelse.

All Enclosed Insulated Gas Cabinet

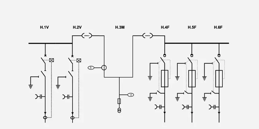
◆ Skema 3 W+M+FFF

Beregning med høj tryk side

All Enclosed Insulated Gas CabinetAll Enclosed Insulated Gas Cabinet



Hot Tags: Alt lukket isoleret gasskab
Send forespørgsel
Kontaktoplysninger
For forespørgsler om kabelgrenboks, højspændingsafbrydere, lavspændingskontakt eller prisliste, skal du forlade din e -mail til os, og vi vil være i kontakt inden for 24 timer.
X
Vi bruger cookies til at tilbyde dig en bedre browsingoplevelse, analysere trafik på webstedet og tilpasse indhold. Ved at bruge denne side accepterer du vores brug af cookies. Privatlivspolitik
Afvise Acceptere